The INA ZARF50140-L-TV is a high-performance combined needle and thrust roller bearing, specifically engineered for double-direction load handling in heavy-duty industrial scenarios. Meticulously designed to integrate radial and axial load-bearing capabilities, this bearing combines robust structural design with premium materials to guarantee long-term reliability and stable operation in precision-required applications.

| Item | ZARF50140-L-TV |
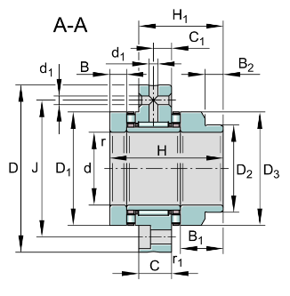
| Type | needle roller/axial cylindrical roller bearing |
| Brand | INA |
| Country of origin | Germany |
| Bore diameter | 50 mm |
| Outside diameter | 140 mm |
| Width | 103 mm |
| Basic dynamic load rating, radial | 46,500 N |
| Basic dynamic load rating, axial | 172,000 N |
| Basic static load rating, axial | 480,000 N |
| Basic static load rating, radial | 103,000 N |
| Fatigue load limit, radial | 12,700 N |
| Fatigue load limit, axial | 44,500 N |
| Limiting speed | 3,100 1/min |
| Weight | 4.245 kg |
| Application | industrial gearboxes, reducers, hydraulic cylinders, construction machinery lifting mechanisms, and precision automation equipment, energy mining equipment etc. |


More related products
Our experts can help you find the perfect bearing solution for your specific application